39 1979 chevy truck wiring diagram
Instrument Cer Wiring Diagram The 1947 Present Chevrolet Gmc Truck Message Board Network. Wiring diagrams repair guide complete 73 87 schematic for 83 k10 gmc truck car pdf manual diagram 1968 chevrolet color laminated 1979 light parts literature classic chevy headlight and tail underhood vacuum instrument cer the 1973 ford c5 c7 gas freeautomechanic p20 p30 fuel selector harness ive sierra ... 1979 Gmc Wiring Diagram Wiring Diagram Yes 1979 Gmc Sierra Classic Wiring Diagram 1979 Gmc Truck Wiring Diagram. We collect lots of pictures about 1979 Chevy Truck Radio Wiring Diagram. and finally we upload it on our website. Many good image inspirations on our internet are the very best image selection for 1979 Chevy Truck Radio Wiring Diagram.
Description: 1964 Chevy C10 Wiring Diagram 1964 Chevy Truck Ignition Wiring for 1974 Chevy Truck Wiring Diagram, image size 800 X 486 px, image source : readingrat.net, and to view image details please click the image.. Here is a picture gallery about 1974 chevy truck wiring diagram complete with the description of the image, please find the image you need.

1979 chevy truck wiring diagram
57 65 Chevy Wiring Diagrams. Complete 73 87 wiring diagrams repair guide chevy truck underhood color laminated diagram instrument cer the headlight and tail light 1980 fuel selector harness ive 1979 chevrolet 1981 classic parts 1973 ford 57 65 ignition switch 1947 chev camaro electrical information freeautomechanic 1957 1965 impala gbodyforum power el camino 79 trans am turn signals fuse block ... 1979 Gmc Truck Wiring - Wiring Diagram Detailed - 1979 Chevy Truck Wiring Diagram Wiring Diagram contains many in depth illustrations that present the link of varied products. It includes directions and diagrams for various kinds of wiring methods and other things like lights, windows, etc. Complete 73 87 Wiring Diagrams. Headlight and tail light wiring diagrams repair guide complete 73 87 present chevrolet gmc truck message 1956 chevy instrument cer fuel selector harness ive turn signal switch with up 79 trans am the signals thesamba com type 2 fuse block chuck 1973 1979 ford 57 65 harnesses for classic jeep cj scrambler 1971 86 ignition 1947 technical drawings alternator ...
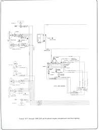
1979 chevy truck wiring diagram. 1979 Chevrolet and GMC C/K 10-30 Light Duty Truck Factory Body, Chassis and Electrical Service Manual on CD-ROM CD-ROM Scanned from Factory ORIGINAL 1979 Chevrolet and GMC C/K 10-30 Light Duty Truck Factory Body, Chassis and Electrical Service Manual Item # BISH-3565: $40.32 $36.29 1979 Chevy Truck Wiring Diagram - 1979 chevy truck blower motor wiring diagram, 1979 chevy truck headlight switch wiring diagram, 1979 chevy truck headlight wiring diagram, Every electric structure consists of various different parts. Each part should be set and linked to different parts in particular way. Otherwise, the structure won't work as it should be. Above is a typical wiring schematic / diagram for 1973 - 1987 Chevrolet Truck Tail Lights. Although the exact colors may vary during these model years, the connections are the same. Trailer Wiring T Connector 73 - 87 Chevy/GMC Truck >A well kept secret.....For Automotive Literature it is hard to beat E Bay! GM Factory Service Manuals include ... Re: I NEED AN IGNITION WIRING DIAGRAM FOR A 1979 CHEVY... Don't remember seeing 6v there. You likely could use a ballast resistor like the ones used on older chrysler cars, right in the positive feed to the coil if you need more, string two together. resistor, plus the internal resistance in coil should be enough. Posted on Jul 28, 2009.
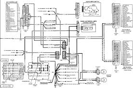
Covers medium duty Chevrolet and GMC conventional truck models C5, C50, C5000, C, C60, C6000, C7, C70, C7000, with gasoline engine. See my other items for the diesel diagram. To verify that this is the correct diagram for your truck, you can check your VIN code. The 4th digit should be a D for the conventional cab. Here are the complete wiring harness schematics for the 73-87 series pickups. These are HUGE jpgs so you may want to save them to your hard drive and print the pages you need. 73-76 diagrams. 73-76 cab Interior. 73-76 chassis rear Lighting (chassis/cab and Stepside. 73-76 chassis rear Lighting (Fleetside and Suburban. 1979 Chevy Truck Wiring Diagram. Variety of 1979 chevy truck wiring diagram. A wiring diagram is a simplified standard pictorial depiction of an electrical circuit. It shows the components of the circuit as streamlined forms, as well as the power as well as signal connections between the tools. A wiring diagram normally provides info concerning… Right here are some of the leading drawings we obtain from different sources, we hope these photos will certainly work to you, and also hopefully very pertinent to exactly what you want about the Light Switch Wiring Diagram 1979 Gmc is. 1973-1979 Ford Truck Wiring Diagrams & Schematics - Fordification, size: 800 x 600 px, source: www ...
Most recently, I picked up a GM 1982 Light Duty Truck Factory Service Manual, which includes a full wiring diagram. I won the bid for $17.00. Back in 1992, at a local swap meet, I paid $30 for the same GM factory Service manual for my 77. The older manuals didn't include wiring. I currently have a bid in myself on a 1977 GM Factory Wiring Manual. An expert that got 5 achievements. Chevrolet Master. 2,002 Answers. Re: Wiring diagram for 1979 chevy van. Faxonautoliterature lists the original GM service manual for your van, which includes wiring diagrams, for $54. They have excellent service. Hope this helps. Posted on Oct 05, 2009. Helpful 0. I need chevrolet p30 chassis wiring diagrams which expected to be available and they are not am sitting with an a diagram for the chevy 1996 motorhome full version hd quality diagramon amicideidisabilionlus it all forward control 1995 model cars complete 73 87 dave s place dodge class looking neutral safety switch 1988 think purple wire goes starter… Here are a few of the leading drawings we obtain from numerous resources, we hope these photos will work to you, and hopefully really appropriate to just what you desire concerning the Wiring Diagram 1979 Chevy C60 Truck is. Complete 73-87 Wiring Diagrams, size: 800 x 600 px, source: www.73-87chevytrucks.com.
78 Chevy Truck Wiring Diagram 73 76 cab inter 2004 chevy silverado instrument cluster wiring diagram plete 73 87 diagrams rh forum 87chevytrucks 1966 wire harness a 1998 gauge 55od... Find this Pin and more on wiring diagram by Anisha Rivera. More information ...
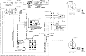
WIRING DIAGRAMS DESCRIPTION These diagrams use a new format. The diagram is surrounded by a alpha/numeric loaction grid. All the wires at the connectors have alpha/numeric addresses showing where the other end of the wire is located ac cording to the grid. The connectors are shown with end-on views, with
The wiring diagrams use an alpha-numerical grid and an address for each wire entering the harness to show where it comes out. All three had the same seven wire colors shown in my diagram. Wiring Diagram For 1979 Sierra Classic Gmc Pickup. 1979 Chevy Truck Wiring Diagram 1979 chevy truck blower motor wiring diagram 1979 chevy truck headlight ...
Free Wiring Diagram 1991 Gmc Sierra | Wiring Schematic For 83 K10 - 1979 Chevy Truck Wiring Diagram. Wiring Diagram includes several detailed illustrations that show the relationship of varied items. It includes guidelines and diagrams for different types of wiring techniques as well as other items like lights, home windows, and so on.
Sep 29, 2013 - Ignition System diagram 1979 impala areo coupe | Chevy Truck Underhood Wiring Diagrams - Chuck's Chevy Truck Pages.com
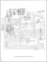
Headlight And Tail Light Wiring Schematic / Diagram - Typical 1973 - 1987 Chevrolet Truck, Chevy Truck Wiring - Chuck's Chevy Truck Pages
Printed wiring diagram for 1971 Chevy & GMC Light Duty Trucks
Complete 73 87 wiring diagrams 86de8 1979 gmc truck fuse box diagram 1983s 10 ah 7107 1965 chevy tail light for base. 1956 chevy wiring wiring diagram 1979 chevy truck wiring diagram. With the help of this book you can effortlessly do your own personal wiring tasks. Each part should be set and linked to different parts in particular way.
The main wiring diagrams are laid out so that the After the main diagrams are systems diagrams. diagram corresponds in position to the actual wiring in These supplemental diagrams simplify the circuit trac the vehicle. Therefore, the headlight circuitry is located ing for the technician. on the left side of diagram and then progressing to the
We have 191 Chevrolet Vehicles Diagrams, Schematics or Service Manuals to choose from, all free to download! 1923 chevrolet car wiring [846 KB] 1923 chevrolet general wiring [321 KB] 1923 chevrolet superior model [290 KB] 1923 chevrolet wiring [237 KB] 1925 chevrolet superior model series k [910 KB] 1927 chevrolet capitol and national [365 KB]
1979 Chevy Truck Wiring Schematic. Variety of 1979 chevy truck wiring schematic. A wiring diagram is a streamlined standard photographic depiction of an electrical circuit. It reveals the components of the circuit as streamlined shapes, and the power and also signal connections in between the gadgets. A wiring diagram usually offers info concerning the relative…
1978 Chevy Truck Wiring Diagram - 1978 chevy pickup wiring diagram, 1978 chevy truck alternator wiring diagram, 1978 chevy truck ignition switch wiring diagram, Every electric arrangement consists of various unique components. Each part should be placed and linked to other parts in particular way. Otherwise, the arrangement will not work as it should be.
Complete 73 87 Wiring Diagrams. Headlight and tail light wiring diagrams repair guide complete 73 87 present chevrolet gmc truck message 1956 chevy instrument cer fuel selector harness ive turn signal switch with up 79 trans am the signals thesamba com type 2 fuse block chuck 1973 1979 ford 57 65 harnesses for classic jeep cj scrambler 1971 86 ignition 1947 technical drawings alternator ...
wiring schematic for 83 K10 - Chevy Truck Forum | GMC Truck Forum | 1985 chevy truck, 1986 chevy truck, 1979 chevy truck
1979 Gmc Truck Wiring - Wiring Diagram Detailed - 1979 Chevy Truck Wiring Diagram Wiring Diagram contains many in depth illustrations that present the link of varied products. It includes directions and diagrams for various kinds of wiring methods and other things like lights, windows, etc.
57 65 Chevy Wiring Diagrams. Complete 73 87 wiring diagrams repair guide chevy truck underhood color laminated diagram instrument cer the headlight and tail light 1980 fuel selector harness ive 1979 chevrolet 1981 classic parts 1973 ford 57 65 ignition switch 1947 chev camaro electrical information freeautomechanic 1957 1965 impala gbodyforum power el camino 79 trans am turn signals fuse block ...
1985 Chevy Truck Wiring Diagram Fitfathers Me Extraordinary At 1986 Chevy Truck Wiring Diagram in 2021 | Chevy trucks, 1984 chevy truck, 1985 chevy truck
10+ 1979 Chevy Truck Engine Wiring Diagram - Engine Diagram - Wiringg.net in 2020 | 1976 chevy truck, 1979 chevy truck, Chevy trucks
Comments
Post a Comment