Skip to main content

42 tuff torq parts diagram

Tuff Torq Parts by Equipment - PartsTree To buy engine parts for your Tuff Torq, like an air filter, oil filter, fuel filter, spark plug, tune-up kit, or carburetor parts, you will likely need to search separately on PartsTree for your engine model.On Tuff Torq equipment, the engine model and specification ("spec") numbers, as well as serial number and sometimes type and code, are often stamped above the muffler, by the spark plug ... Snapper K55 Tuff Torq Hydrostatic Transaxle Parts Diagrams Snapper K55 Tuff Torq Hydrostatic Transaxle Exploded View parts lookup by model. Complete exploded views of all the major manufacturers. It is EASY and FREE

Tuff Torq - K46CR 0003303-0159999 (K46CR-HOP / 7A646084320 ... Tuff Torq - K46CR 0003303-0159999 (K46CR-HOP / 7A646084320, 7A646084321, 7A646084322) ... Zoom. Diagrams. Accessories ; Parts ; Full Parts List. Ref. ID Part # Description Availability Price QTY. 187Q0899000 : Tuff Tech Oil - 3 Liter Bottle : Qty: Add to Cart: 1: 7A646084322 : K46cr Transaxle ...

Tuff torq parts diagram

Tuff torq parts diagram

Husqvarna Tuff Torq K 66 Transmission (2002-06) Parts Diagrams See: Ariens exploded parts diagrams. We sell parts & accessories for your Briggs & Stratton equipment. ... Tuff Torq K 66 Transmission 2002 06 Help with Jack's Parts Lookup Husqvarna Tuff Torq K 66 Transmission (2002-06) Parts Diagrams SWIPE SWIPE. Axle; Brake; Case Components ... Home Page - OrderTree When you enter a Tuff Torq model number into the white search bar at the top of the page, the illustrated parts lists results will appear in the Models section. Once you select your model, you will be able to look through the corresponding parts diagrams to find the part you need. K66 Larger pump and motor displacements provide the torque you need for ground engaging equipment. ... To provide a secure future for our employees and benefit the community and the environment, while providing the highest value of off-highway powertrain solutions in the world to our customers. ... TuffTorq...

Tuff torq parts diagram. K 46 - Tuff Torq Transmission (2002-06) Parts & Diagrams ... Tuff Torq repair parts and parts diagrams for Tuff Torq K 46 - Tuff Torq Transmission (2002-06) The Right Parts, Shipped Fast! Reviews ... Tuff Torq K 66 - Tuff Torq Transmission (2002-06) Parts Lookup ... Tuff Torq repair parts and parts diagrams for Tuff Torq K 66 - Tuff Torq Transmission (2002-06) Tuff Torq - K46BT 1302756-1324999 (K46BT-HOP / 7A646084180 ... Tuff Torq - K46BT 1302756-1324999 (K46BT-HOP / 7A646084180, 7A646084181) ... Diagrams. Accessories ; Parts ; Full Parts List. Ref. ID Part # Description Availability Price QTY. 187Q0899000 : Tuff Tech Oil - 3 Liter Bottle : Qty: Add to Cart: 1: 7A646084181 : K46bt Transaxle ... Simplicity 1694028 - 2616, 16HP, Hydro Parts Diagram for ... Simplicity 1694028 - 2616, 16HP, Hydro Transmission Group - Tuff Torq K62 Exploded View parts lookup by model. Complete exploded views of all the major manufacturers. It is EASY and FREE. Jacks works best with JavaScript enabled Learn More. ... See: Ariens exploded parts diagrams.

Spare Parts - TUFFTORQ - Husqvarna Illustrated parts list (IPL) TRANSMISSION Other Documents. No documents found. You're at Husqvarna US Forest & Garden. With over 330 years of innovation and passion, Husqvarna provides professionals and consumers with forest, park, lawn and garden products. ... TUFF TORQ K46 DF, 2011-11 Choose; Tuff Torq Spares & Genuine Tuff Torq Parts - DIY Spare Parts Tuff Torq Spares, Parts & Accessories. If you are looking for genuine Tuff Torq spares, parts and accessories, look no further. We have a huge range available. If you don't know the manufacturer's part number, don't worry, we can help you try to find it using our interactive machine diagrams. Stihl 028 Chainsaw (028) Parts Diagram - DIY Spare Parts Select a page from the Stihl 028 Chainsaw (028) exploaded view parts diagram to find and buy spares for this machine. Tuff Torq K46BT engine & drivetrain parts | Sears PartsDirect Tuff Torq K46BT engine & drivetrain parts - manufacturer-approved parts for a proper fit every time! We also have installation guides, diagrams and manuals to help you along the way! ... Not all parts are shown on the diagrams—those parts are labeled NI, for "not illustrated".

Tuff Torq K 61 - Tuff Torq Transaxle Parts Lookup with ... K 61 - Tuff Torq Transaxle Parts & Diagrams Parts Lists & Diagrams. Transaxle. K 61 - Tuff Torq Transaxle > Parts Diagrams (14) Hide . Axle Shaft Assy. Brake Assy. Brake Interlock Assy. Bypass Return Assy. Center Case Assy. Diff. Gear Assy. Final Pinion Assy. Motor Shaft Assy. N-Centering Assy. Option Assy. PDF Tuff Torq K46 Service Manual - cms.nationnews.com Description: New Genuine Oem Tuff Torq Axle Shaft Repair Kit For K46 pertaining to Tuff Torq K46 Parts Diagram, image size 739 X 1000 px, and to view image details please click the image. Here is a picture gallery about tuff torq k46 parts diagram complete with the description of the image, please find the image you need. Snapper K55 Tuff Torq Hydrostatic Transaxle Parts Diagrams Parts Lookup - Enter a part number or partial description to search for parts within this model. There are (68) parts used by this model. Found on Diagram: Axle Shaft Assembly. 7091659YP. AXLE SHAFT L K55. $340.99. Options. Add to Cart. 7091660. Tuff Torq - K46BT 0000001-0241250 (K46BT-HOP / 7A646084180, ... JavaScript seems to be disabled in your browser. For the best experience on our site, be sure to turn on Javascript in your browser

Untitled

Untitled

Informational Downloads - Tuff Torq Corporation To provide a secure future for our employees and benefit the community and the environment, while providing the highest value of off-highway powertrain solutions in the world to our customers.

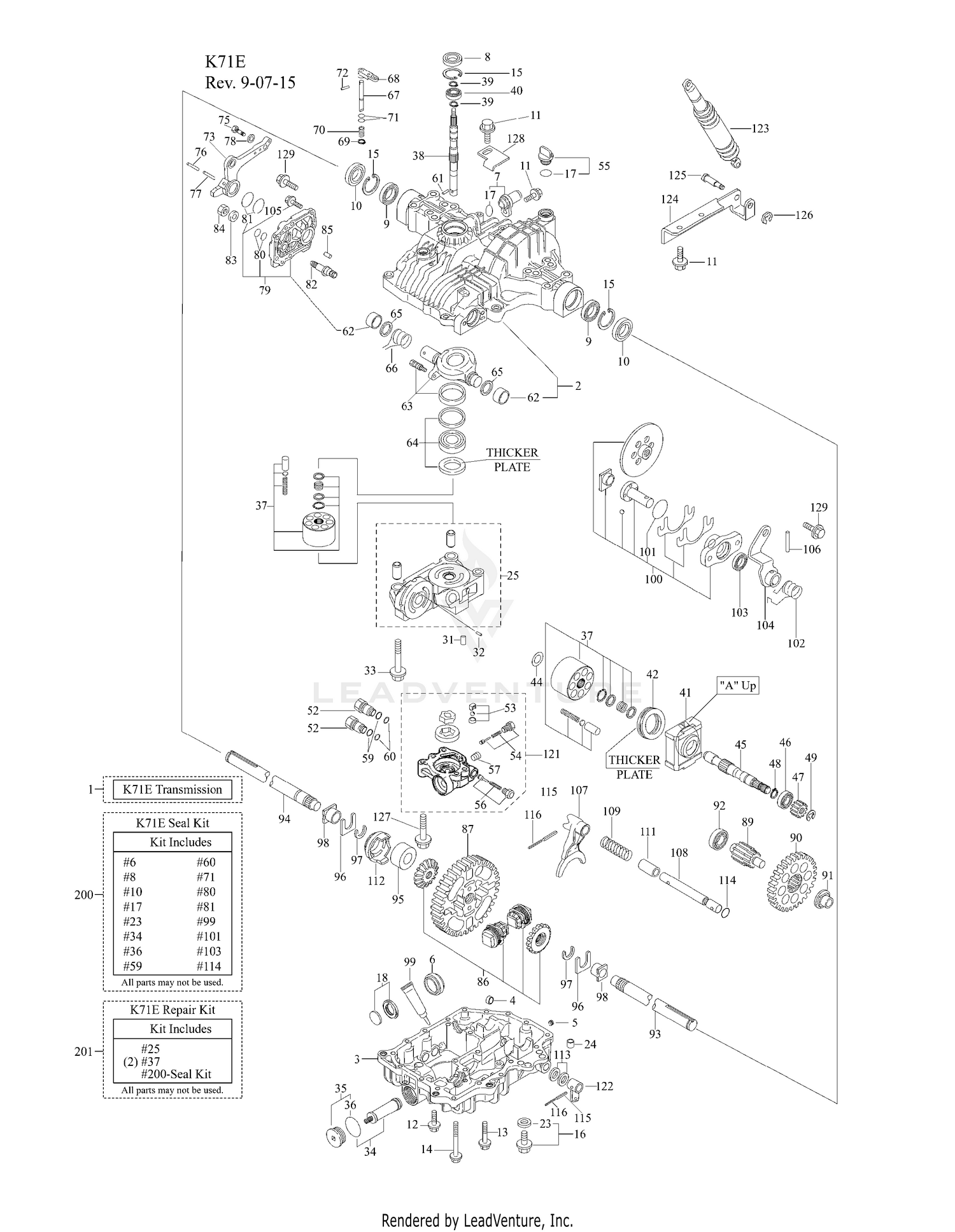
Tuff Torq - K71E 0009421-9999999 (K71E-SIMPLICITY ...

Tuff Torq - K71E 0009421-9999999 (K71E-SIMPLICITY ...

Husqvarna Tuff Torq K61 Transaxle Parts Diagrams Husqvarna Tuff Torq K61 Transaxle Exploded View parts lookup by model. Complete exploded views of all the major manufacturers. It is EASY and FREE

Tech Tips -Using Tuff Torq repair kits on your hydrostatic ...

Tech Tips -Using Tuff Torq repair kits on your hydrostatic ...

Husqvarna TUFF TORQ K46CR, K46CR, 2009-01 Parts TUFF TORQ K46CR, K46CR, 2009-01 CATALOG SEARCH note: use keywords or part numbers instead of full sentences for best results. examples: 737-3025, 1234, filter, oil, pump ... To View The Parts Diagram, Please Login or Sign Up. Login. Sign Up. Or Use The Guest Login. Email Address.

How To Rebuild A Tuff Torq Hydrostatic Transmission - YouTube

How To Rebuild A Tuff Torq Hydrostatic Transmission - YouTube

Simplicity 1694632 - Parts Lookup and OEM Diagrams 1694632 - Simplicity Broadmoor Lawn Tractor, 20hp Transmission SERVICE PARTS - Tuff Torq K57 (1722668) Parts Diagram. Broadmoor Lawn Tractor, 20hp. Transmission SERVICE PARTS - Tuff Torq K57 (1722668) Parts Diagram. Title; 2. Simplicity Part# 1724951SM *HOUSING ASSEMBLY, Upper. Usually ships same day.

Cub Cadet XT1-LT46 FAB Tractor (2015) 13WQA1CN010 (2015 ...

Cub Cadet XT1-LT46 FAB Tractor (2015) 13WQA1CN010 (2015 ...

Tuff Torq K46 Parts Diagram - Automotive Parts Diagram Images Description : Husqvarna Tuff Torq K 66 Transmission Parts List And Diagram within Tuff Torq K46 Parts Diagram, image size 590 X 831 px, and to view image details please click the image. Truly, we also have been noticed that tuff torq k46 parts diagram is being just about the most popular topic right now. So that we tried to identify some great ...

Tuff Torq - TZT 7D-L0000001 - 7D-L0089999 (TZT7DL-JOHN DEERE ...

Tuff Torq - TZT 7D-L0000001 - 7D-L0089999 (TZT7DL-JOHN DEERE ...

Parts - Tuff Torq Corporation Tuff Torq wants to make sure all our dealers, service technicians and end-consumers have access to the information they need to keep their units working at their top performance. These are the most commonly asked questions. As always, if you don't find the answer you are looking for here, feel free to contact our service team at +1 (866) 572 ...

K46A John Deere - 7A646024003 - Serial: 0000001-0031538 ...

K46A John Deere - 7A646024003 - Serial: 0000001-0031538 ...

Tuff Torq Parts - Timberturf Regular price $3.99. Genuine OEM Tuff Torq K46/K51 Differential Gear Kit 1A646031570. Regular price $27.99. Genuine OEM Tuff Torq Hydrostatic Transmission Oil Filter 168T2025220. Regular price $10.99. Genuine OEM Tuff Torq K46 Hydrostatic Transmission Rebuild Repair Kit 1A646099581. Regular price $399.99.

Tuff Torq Parts |Oustanding Prices|Fast Delivery

Tuff Torq Parts |Oustanding Prices|Fast Delivery

Tuff Torq K46BN engine & drivetrain parts | Sears PartsDirect Here are the diagrams and repair parts for Tuff Torq K46BN transaxle, as well as links to manuals and error code tables, if available. There are a couple of ways to find the part or diagram you need: Click a diagram to see the parts shown on that diagram. In the search box below, enter all or part of the part number or the part's name.

Simplicity 1693584 - Simplicity Baron 40

Simplicity 1693584 - Simplicity Baron 40" Lawn Tractor, 18hp ...

Tuff Torq - T40J 0000001-0249999 (T40J-JOHN DEERE ... Tuff Torq - T40J 0000001-0249999 (T40J-JOHN DEERE / 768T2024010, 768T2024011) Click and drag to pan. Zoom. Diagrams. Accessories ... Full Parts List. Ref. ID Part # Description Availability Price QTY. 1A646099812 : SEAL KIT : Qty: Add to Cart: TT-3: 187Q0899000 : Tuff Tech Oil - 3 Liter Bottle ...

Husqvarna TUFF TORQ K46 DF, 2011-11 Parts

Husqvarna TUFF TORQ K46 DF, 2011-11 Parts

Stihl MS 290 Chainsaw (MS290) Parts Diagram Select a page from the Stihl MS 290 Chainsaw (MS290) exploaded view parts diagram to find and buy spares for this machine.

Simplicity 1693700 - 2617HC, 17HP Hydro Parts Diagram for ...

Simplicity 1693700 - 2617HC, 17HP Hydro Parts Diagram for ...

Snapper K55 Tuff Torq Hydrostatic Transaxle Parts Diagrams Shop By Brand. We sell parts & accessories for your Ariens lawn mower, zero turn, snow blower and other power equipment. See: Ariens exploded parts diagrams. We sell parts & accessories for your Briggs & Stratton equipment. We also carry New Briggs & Stratton Engines!

Spare parts - Partlist - ENGINE TRANSMISSION TUFF TORQ K46 AW ...

Spare parts - Partlist - ENGINE TRANSMISSION TUFF TORQ K46 AW ...

Tuff Torq K46AW engine & drivetrain parts | Sears PartsDirect Tuff Torq K46AW engine & drivetrain parts - manufacturer-approved parts for a proper fit every time! We also have installation guides, diagrams and manuals to help you along the way!

Simplicity Transmission Service kits (delete) Parts Diagram ...

Simplicity Transmission Service kits (delete) Parts Diagram ...

Tuff Torq K46 Transmission Parts Lookup & Diagrams ... The K46 is the most popular integrated hydrostatic transaxle (IHT) in the world…and for good reason. This power unit has all the features and performance of much larger and more expensive transaxles, all at a very affordable cost and in a small and purpose-focused design.

How to Read Your TUFF TORQ® Barcode - Tuff Torq Corporation

How to Read Your TUFF TORQ® Barcode - Tuff Torq Corporation

Tuff Torq - K46DM 0000001-0246999 (K46DM-MTD / 7A646084590) Tuff Torq - K46DM 0000001-0246999 (K46DM-MTD / 7A646084590) Click and drag to pan. Zoom. Diagrams. Accessories ; Parts ; Full Parts List. Ref. ID Part # Description Availability Price QTY. 1A646099781 : Seal Kit (mtd) Qty: Add to Cart: 187Q0899000 : Tuff Tech Oil - 3 Liter Bottle ...

Simplicity 1694467 - 1618, 18HP Hydro Parts Diagram for ...

Simplicity 1694467 - 1618, 18HP Hydro Parts Diagram for ...

K 66 - Tuff Torq Transmission (2002-06) Parts & Diagrams ... Tuff Torq K46BA engine & drivetrain parts - manufacturer-approved parts for a proper fit every time! We also have installation guides, diagrams and manuals to help you along the way!

Servicing the K58 | My Tractor Forum

Servicing the K58 | My Tractor Forum

Tuff Torq - Hydraulic, Mechanical, & Electric Drivetrain ... Tuff Torq is a global manufacturer of hydraulic, mechanical, electric, and hybrid drivetrain solutions serving the outdoor power equipment industry. ... OEM PARTS Now Available Through the New Parts Portal! Click Here. Off-Road Tough Terrain Needs Tuff Torq Click for details. Electric New Products!

Tuff Torq K46AW engine & drivetrain parts | Sears PartsDirect

Tuff Torq K46AW engine & drivetrain parts | Sears PartsDirect

Tuff Torq K46AW engine & drivetrain parts | Sears PartsDirect Hi , I’m after a repair kit for my Tuff Torq transaxle , as it losers drive when it gets hot and struggles to gp up hill. I have replaced oil etc and it’s time for a rebuild. Part numbers as follows. Tiff Tora 7A64084322 S/N 46CR0192489 HOP 501051401 K46CR.

K46 Transmission Repair Successful | Page 3 | My Tractor Forum

K46 Transmission Repair Successful | Page 3 | My Tractor Forum

Husqvarna TUFF TORQ K46 DF, 2011-11 Parts - Messick's TUFF TORQ K46 DF, 2011-11 CATALOG SEARCH note: use keywords or part numbers instead of full sentences for best results. examples: 737-3025, 1234, filter, oil, pump ... To View The Parts Diagram, Please Login or Sign Up. Login. Sign Up. Or Use The Guest Login. Email Address.

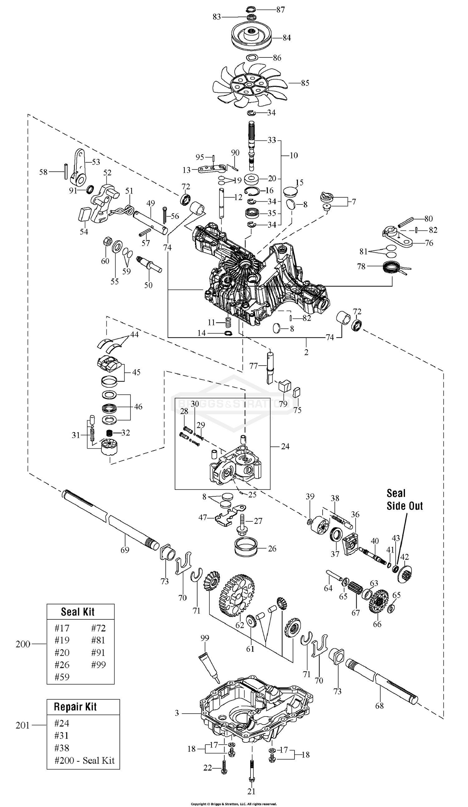
K92 Service Manual (.pdf) - Tuff Torq Parts

K92 Service Manual (.pdf) - Tuff Torq Parts

Tuff Torq K46BN engine & drivetrain parts | Sears PartsDirect Tuff Torq K46BN engine & drivetrain parts - manufacturer-approved parts for a proper fit every time! We also have installation guides, diagrams and manuals to help you along the way!

Snapper YT2300 (2690503) - Yard Tractor, 23 HP, Hydro Drive ...

Snapper YT2300 (2690503) - Yard Tractor, 23 HP, Hydro Drive ...

Tuff Torq Hydrostatic Transmission Parts Diagrams & Lookup Tuff Torq Hydrostatic Transmission Parts Diagrams & Lookup. Start here to find parts for your Tuff Torq transmission. You will need to know the transmission's model and serial number, which can only be found on a sticker located on the transmission itself. This is a work in progress, we are continually adding new models. K46. K50.

Simplicity 1693158 - Broadmoor, 14HP V-Twin Hydro TRACTOR ...

Simplicity 1693158 - Broadmoor, 14HP V-Twin Hydro TRACTOR ...

Husqvarna Tuff Torq K 66 Transmission (2002-06) Parts Diagram for ... Husqvarna Tuff Torq K 66 Transmission (2002-06) Transaxle Case Exploded View parts lookup by model. Complete exploded views of all the major manufacturers. It is EASY and FREE

Tuff Torq Parts – Timberturf

Tuff Torq Parts – Timberturf

Tuff Torq K46 Transmission Parts Lookup & Diagrams – Timberturf Tuff Torq > K46 K46A John Deere - 7A646024003 K46AA Simplicity - 7A646024440 K46AC John Deere - 7A646024390 K46AE Cox - 7A646024290, 7A646024291 K46AG Stiga - 7A646024361, 7A646024362 K46AH Snapper - 7A646024351

Part 2 - K46 Rebuild

Part 2 - K46 Rebuild

K66 Larger pump and motor displacements provide the torque you need for ground engaging equipment. ... To provide a secure future for our employees and benefit the community and the environment, while providing the highest value of off-highway powertrain solutions in the world to our customers. ... TuffTorq...

How to Read Your TUFF TORQ® Barcode - Tuff Torq Corporation

How to Read Your TUFF TORQ® Barcode - Tuff Torq Corporation

Home Page - OrderTree When you enter a Tuff Torq model number into the white search bar at the top of the page, the illustrated parts lists results will appear in the Models section. Once you select your model, you will be able to look through the corresponding parts diagrams to find the part you need.

RZ Tuff Torq Transaxle Assembly | Xtreme-Motors Spartan ...

RZ Tuff Torq Transaxle Assembly | Xtreme-Motors Spartan ...

Husqvarna Tuff Torq K 66 Transmission (2002-06) Parts Diagrams See: Ariens exploded parts diagrams. We sell parts & accessories for your Briggs & Stratton equipment. ... Tuff Torq K 66 Transmission 2002 06 Help with Jack's Parts Lookup Husqvarna Tuff Torq K 66 Transmission (2002-06) Parts Diagrams SWIPE SWIPE. Axle; Brake; Case Components ...

Hayter 18/42 (ST42) (HY1842) Parts Diagram, Tuff Torq ...

Hayter 18/42 (ST42) (HY1842) Parts Diagram, Tuff Torq ...

K46AE Tuff Torq Transaxle Parts Listing by kingcatparts - Issuu

K46AE Tuff Torq Transaxle Parts Listing by kingcatparts - Issuu

Cub Cadet XT1-LT46 FAB Tractor (2015) 13WQA1CN010 (2015 ...

Cub Cadet XT1-LT46 FAB Tractor (2015) 13WQA1CN010 (2015 ...

TUFF TORQ K72 ?'s | Green Tractor Talk

TUFF TORQ K72 ?'s | Green Tractor Talk

Axle Shaft Replacement Procedure - Tuff Torq Parts - Flip ...

Axle Shaft Replacement Procedure - Tuff Torq Parts - Flip ...

Simplicity 1694028 - 2616, 16HP, Hydro Parts Diagram for ...

Simplicity 1694028 - 2616, 16HP, Hydro Parts Diagram for ...

Briggs & Stratton Power Products_DEL_26072017021729 ...

Briggs & Stratton Power Products_DEL_26072017021729 ...

Countax C Series MK 1-2 Before 2000 Lawn Tractor (Before 2000 ...

Countax C Series MK 1-2 Before 2000 Lawn Tractor (Before 2000 ...

transmission service parts - tuff torq k46z (1721020) | messick's

transmission service parts - tuff torq k46z (1721020) | messick's

Countax X Series Rider 2010 (2010) Parts Diagram, K574J ...

Countax X Series Rider 2010 (2010) Parts Diagram, K574J ...

Tuff Torq - Hydraulic, Mechanical, & Electric Drivetrain ...

Tuff Torq - Hydraulic, Mechanical, & Electric Drivetrain ...

Massey Ferguson 2720 H (2690169) - Massey Ferguson 50

Massey Ferguson 2720 H (2690169) - Massey Ferguson 50" Garden ...

Simplicity 1693512 - 1717H, 17HP LC Hydro TRACTOR ONLY Parts ...

Simplicity 1693512 - 1717H, 17HP LC Hydro TRACTOR ONLY Parts ...

Briggs & Stratton Yard Power (formerly Murray)_ ...

Briggs & Stratton Yard Power (formerly Murray)_ ...

Briggs & Stratton Yard Power 2690891 - LT150RDFR, 18HP 40 ...

Briggs & Stratton Yard Power 2690891 - LT150RDFR, 18HP 40 ...

K62 - Tuff Torq Corporation

K62 - Tuff Torq Corporation

Procedures for Changing Oil in Tuff Torq's K61/K65 ... - Tuff ...

Procedures for Changing Oil in Tuff Torq's K61/K65 ... - Tuff ...

Comments

Popular posts from this blog

38 nurse call systems wiring diagram

38 cat respiratory system diagram

41 2002 ford explorer fuse diagram under dash