41 john deere sabre drive belt diagram
PDF Series 300 High belt tension causes belt heating and excessive stretch, as well as damage to drive components such as pulleys and shafts. An engine wiring diagram is provided in this section to help isolate electrical problems on power units using John Deere wiring harness and instrument (gauge) panel. Need a diagram on how to put a drive belt back on a sabre by john... John Deere Sabre Belt Diagram. I got a 15.5hp john deere sabre and the drive belt shredded to pieces. i dont have a clue of how it suppose to go back on. i really need a diagram. please.
Scag tiger cub drive belt diagram - silverhookstudiosinc.us 2 days ago · Jun 30, 2017 · Scag turf tiger deck belt diagram best 2018 scag stt61a 27ka turf tiger zero turn mower 61 deck 27hp kawasaki sn 8520001 8529999 drive components diagram and parts list partstree swz hydro drive walk behind mower scag power equipment rh com turf tiger parts list 36 grass catcher lawn mower motor diagram new john deere 46 48 50 ...

John deere sabre drive belt diagram
What is the wiring diagram for a 1999 deere sabre ignition switch? I have a John deere Sabre 1538 auto tractor. I can start and move the tractor fine,but when I try to engage I am looking for a motion drive diagram for a John Deere Sabre 2046HV lawn mower to put the need a wiring diagram for a sabre lawn tractor 1948 gv/hv. i think it is a 2001. I've replaced the... Sabre 1742 Drive Belt Diagram John Deere Sabre Day 2 Getting this machine ready to re-attach its original 42-inch deck unfortunately I don't have a long enough ... tinyurl.com/deck-belt-diagrams Riding Mower Deck Belt Diagrams and pictures for AYP, MTD, Craftsman, John Deere, Toro bozeba.de John deere wont start just clicks
John deere sabre drive belt diagram. John Deere Sabre Belt Diagram - Wiring Diagram Database Blade belt diagram for john deere sabre riding mower the belt wont engage and i need an owners manual because my uncle has lost his. Jacks can supply you with replacement john deere mower belts for your john deere mower or tractor. The flat backside of the belt rides on flat idlers. John Deere Sabre Yard & Graden Tractors Technical Manual... - Issuu Sabre lawn tractors. Technical manual. John Deere Worldwide Commercial and Consumer Equipment Division TM1769 Excessive drive belt tension may cause premature bearing wear or result in bearing seizure. Grass clippings that build up near the cutting blades can cause... OPERATION AND SERVICE MANUAL 6081 OEM Diesel | Manualzz John Deere OEM Engines. These accessories may be provided by the equipment manufacturer instead of. Utilisateurs De Moteurs John Deere: N'attendez pas d'eˆtre oblige´ d'avoir recours a votre. Engine Wiring Diagram (Engines w/Earlier. Standard Instrument Panel - Engines. John Deere Sabre 2046hv Belt Guide Part # Gx10647 for sale... | eBay John Deere Lawnmower Parts Belt Drive.
John Deere 132 BELT PICKUP WITH PLATFORM parts catalog John Deere 7721 COMBINE WITH BELT PICKUP AND PICKUP PLATFORM parts catalog. buenas noches muchas gracias por la información su ministrada, estoy buscando el manual de john deere 310SG de servicio, o saber que funcion cumple el relay module AT180485, muchas gracias. 30 John Deere Rx75 Belt Diagram - Wiring Diagram Database Buy genuine oem john deere parts for your john deere tractor select series with mulching mower deck belt drive idlers power train and ship today. Iseki tractor work manual sx95 john deere drive belt parts diagram descargar john deere 110 wiring diagram electrical cub cadet 1050 parts diagram pto... John Deere Sabre Belt Diagram - Wiring Site Resource Blade belt diagram for john deere sabre riding mower the belt wont engage and i need an owners manual because my uncle has lost his. Honda john deere stihl exmark redmax toro ariens and boss. Installation repair and replacement of john deere sabre 14538 gear tractor drive belt gx10062. 99 Click Here For More Information. Qty: . Double-captured ... If you need help finding John Deere Lawn Tractor Deck Spindle for John Deere LT160, Sabre 1338G, 1438GS, 1438HS, 1542GS, 1542HS, 1642HS, 1742GS, 1742HS, AM121324, AM126225, GY00038 Rating * Select Rating 1 star (worst) 2 stars 3 stars (average) 4 stars 5 stars (best) Power Mower Sales was founded in 1966, and to this day the small business ...
80's era Deere 160 drive belt diagram | My Tractor Forum Looking for a diagram for an 80s era John Deere 160 drive belt. It's been days between the time I took the old one off and getting a new one and Certified John Deere and Stihl tech A mid 60s Magna American Engineering Corp. Magna-Trac 9 hp A 1986 John Deere 185 a 2001 John Deere Sabre... John Deere Sabre 42 Belt Diagram - Free Diagram For Student John Deere Sabre Belt Diagram Sabre Garden Tractor Lights Wiring. Sabre 42 cut s1742 deck belt john deere 42 mower deck drive belt idler kit the number repeat deck belt. Replaces part m124895. I have a john deere sabre 15542 and cant figure remember to always put the v side of belt inside of... John Deere Sabre Drive Belt Diagram - Free Catalogs A to Z Installation Repair and Replacement of John Deere Sabre 38 Hydro Tractor Drive Belt GX Left-hand and Overall view of the belt layout 1. See the link above for the Diagram this is also a Manual for the your Bekt Diagram should be under Service Mower then Mower Drive Belt. Preview / Show more. How to tighten belt on john deere riding mower April 18th, 2019 - John deere sabre mower belt diagram John deere sabre riding lawn mowers have a belt that rotates a pulley mounted to the mower deck tighten the belt guard bolts with a socket wrench Draw a diagram or take a picture of the lawn The pictures posted after the crash showed her holding a beer bottle and wearing a a belt bearing ...
tiptogo.de Mar 21, 2022 · email protected]
John Deer Sabre Belt diagram | Ask Me Help Desk I'm looking for the belt diagram on a John Deer Sabre lawn tractor, 15hp, 46" cut. I have a john deer sabre model 1438 gear. There is a wire that comes from a fuse that I do not know were it goes. I hooked it directly to the posative on the battery and I blow my fuse.
PDF john deere sabre 1338 lawn tractor - Bing John Deere Sabre Tractor Manual John Deere Lawn Tractor Prices. Find great deals on eBay for john deere sabre lawn tractor and john deere Find the Parts, Manuals, & Diagrams for any repair project.
John Deere, Sabre Cutter Deck Drive Belt GY20570, GX20072 Brand: John Deere - Non Genuine, Sabre - Non Genuine. Product Line: V-Belt, Cutter belt, Deck belt, Cutter deck belt, Cutter Drive belt, blade belt. Measurements. 1/2" W x 102" I.D. OEM. JOHN DEERE GX20072, GY20570. Note: You must be an approved Stens dealer and logged in to make a purchase.
pirnaer-osterzauber.de The neutral safety switch is a device that controls the engine starting process. The second is an electrical system; LX178 John Deere 1025r PTO/RIO bypass, how to disable pto/rio safety switch on John deere 1025r/2023 fix how to john deere riding mower wont start How to replace a transmission drive belt on John Deere L 130 lawn tractor mower.
John Deere Lx277 Drive Belt Diagram - Drivenhelios Lx178 Belt Diagram Data Wiring Diagram. John Deere L G Belt Routing Guide Mytractorforum Com The. John Deere 48c Belt Diagram Fresh John Deere Mower Deck Parts 48. Installation Repair And Replacement Of John Deere Lx266 Hydro Drive.
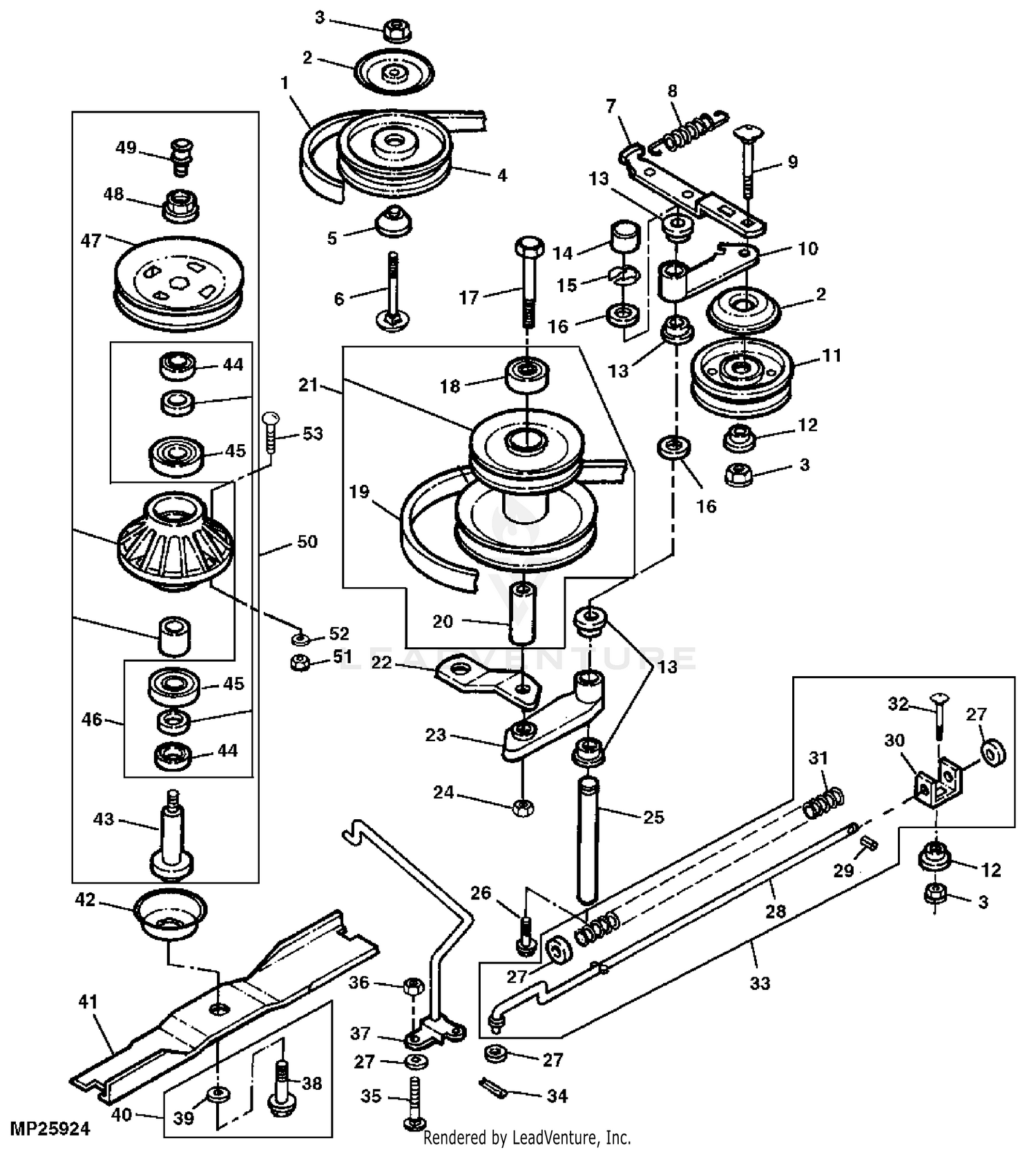
Installation, Repair and Replacement of John Deere Sabre 14.5/38... This John Deere Sabre uses belt part number GX10062 which is 105-3/4" long x 1/2" wide, HA section, 0.31 thick, 32 deg., KEVLAR construction. #16. Diagram of drive belt. Diagram given on Deere illustrated parts list (#16). Engine pulley is seen at right; transmission pulley at left.
How to find a belt diagram for a belt Sabre John Deere lawn mower? John Deere 111 lawnmower drive belt diagram? diagram for replacing mower driver belt. I need a diagram for a John Deere saber 15.5 hp 42" cut lawn mower asap your help is greatly appricated. You can change a John Deere LA 175 mower deck belt configuration by checking the diagrams and...
John deere def warning lights John deere def warning lights
PDF John Deere 310G Tractor Backhoe Parts Manual T-john deere dubuque works p-john deere motores 4045 (4.5 liter). Dt non-turbocharged diesel engine tt Fan drive and belt 310G (turbo), 310SG, 315SG (T0/PE4045TT080/081) entrainement de ventilateur et courroie 310G (turbo)...
How to put belt back on a john deere sabre riding mower - iFixit You will see an exploded diagram of the belt and pulleys which should get you going in the right direction. I have a 38" John Deere sabre with a broken hydro drive belt. How I got the belt on was extremely hard. I ended up undoing the tensioner spring to allow the bigger pulley to slide close to the...
need help with john deere stx30 drive belt diagram need diagram or... John Deere/Scotts belt configuration. Dave. I have a Scotts rider with a 42" deck and a 16HP Koehler engine.The drive belt has snapped and I am having a tough time figuring out the Does anyone have the belt diagram for an 1998 or similiar year STX38. Mine broke and I can not figure out the routing.
JOHN DEERE Tractor & Combine Harvester Service Manuals PDF JOHN DEERE Tractor & Combine Manuals PDF. John Deere 6620, Sidehill 6620, 7720, 8820 Necesito saber a las cuantas horas se le hace mantención de de todo. Mi correo electrónico es we have a DAF 2016 XF model and driving up hills ( not all the time though) transmission light comes on...
PDF cyltab | Deere Power Systems Group OMRG25204 (20MAY96) | Forum JOHN DEERE ENGINE OWNER: Don't wait until you need warranty or other service to meet your local John Deere Engine A él le gustará conocerlo, y saber cuáles podrían ser sus necesidades. Belt drive systems equipped with automatic (spring) belt tensioners cannot be adjusted or repaired.
How to Install a Transmission Drive Belt on a John Deere Sabre How to Install a Transmission Drive Belt on a John Deere Sabre.
Mower Deck John Deere Sabre Drive Belt Diagram - gamarra-hoy Ford Lgt 165 Rear Pto Diagram How Do I Remove And Install Deck Belt Honda 4514 Deck Ford Tractors Honda. Flat Idler Pulley 3 Flat Dia 3 8 Bore Steel With Images Pulley Idler Steel. Riding Mower And Garden Tractor Belt Routing Diagrams Craftsman Riding Lawn Mower Lawn Mower...
John Deere 3029, 4039, 4045, 6059, 6068 Repair Manual View and Download John Deere 3029 instruction manual online. This Component Technical Manual contains service information on the 3029, 4039, 4045, 6059 and 6068 engines produced by JOHN DEERE Saran (FRANCE) for the applications listed in the application chart.
bozeba.de John deere wont start just clicks
Sabre 1742 Drive Belt Diagram John Deere Sabre Day 2 Getting this machine ready to re-attach its original 42-inch deck unfortunately I don't have a long enough ... tinyurl.com/deck-belt-diagrams Riding Mower Deck Belt Diagrams and pictures for AYP, MTD, Craftsman, John Deere, Toro
What is the wiring diagram for a 1999 deere sabre ignition switch? I have a John deere Sabre 1538 auto tractor. I can start and move the tractor fine,but when I try to engage I am looking for a motion drive diagram for a John Deere Sabre 2046HV lawn mower to put the need a wiring diagram for a sabre lawn tractor 1948 gv/hv. i think it is a 2001. I've replaced the...
Comments
Post a Comment