43 john deere 345 carburetor diagram
John Deere 345 lawn and garden tractor: review and specs ... The John Deere 345 is a 2WD lawn and garden tractor from the 300 series of the John Deere lawn tractors. The John Deere 345 garden tractor was manufactured in Horicon, Wisconsin, USA from 1995 to 2001. The Kawasaki FD590V V-twin 90° liquid-cooled 4-stroke (585 cc, 35.7 cu-in) vertical engine was used through the 1998 model year, serial number 070000. John Deere carbuetor installation - YouTube How to reinstall the carburetor back on to the John Deere 320 riding mower.
John Deere 345 Parts Diagram - Automotive Parts Diagram Images Description: John Deere 648M Quik Trak Mower Parts intended for John Deere 345 Parts Diagram, image size 410 X 410 px, and to view image details please click the image.. Truly, we have been remarked that john deere 345 parts diagram is being one of the most popular subject at this moment. So we attempted to identify some terrific john deere 345 parts diagram graphic to suit your needs.

John deere 345 carburetor diagram
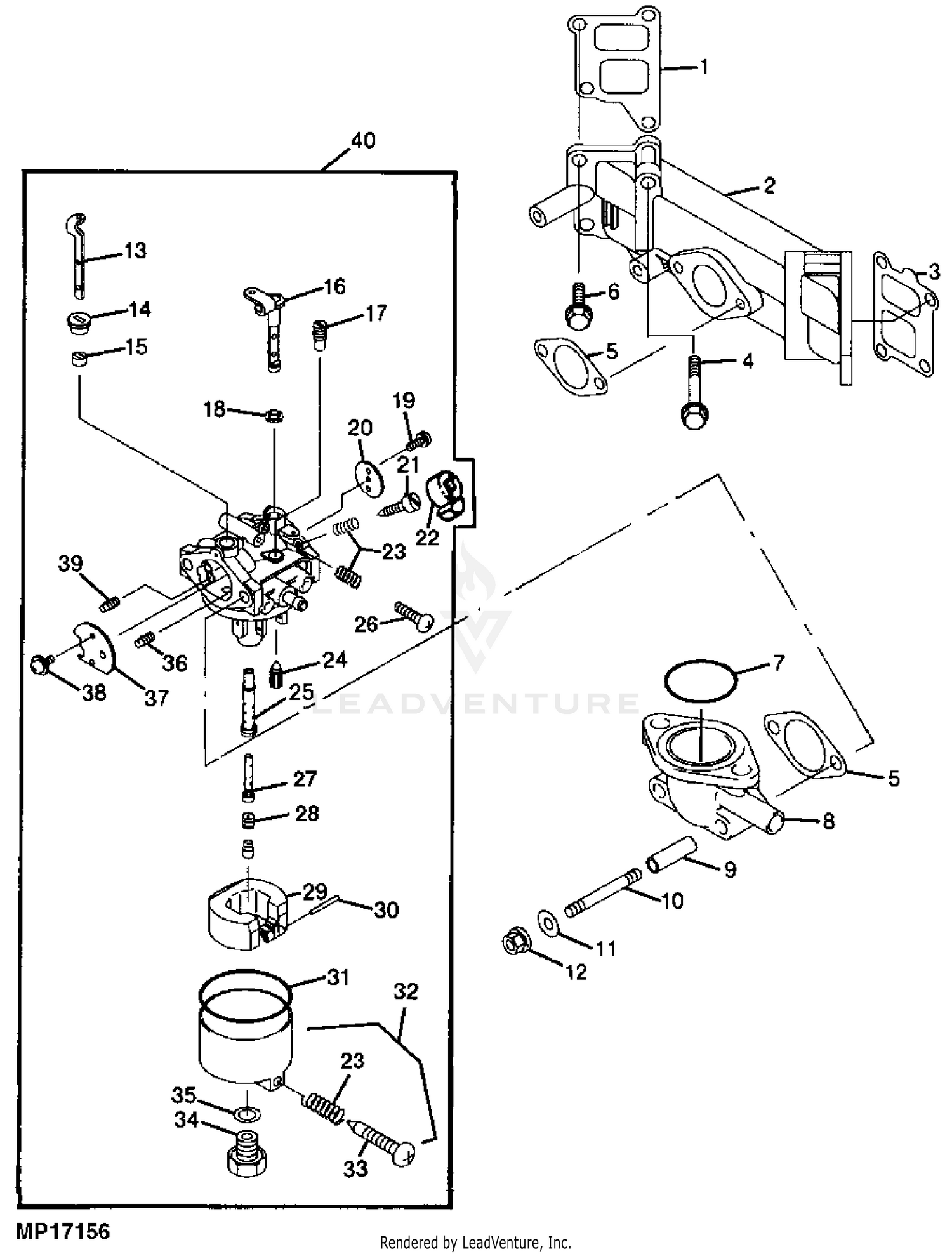
John Deere Parts Diagrams, John Deere GX345 Garden Tractor John Deere Parts Diagrams, John Deere GX345 Garden Tractor. Convertible Mower Deck 42-Inch. Convertible Mower Deck 48-Inch. Convertible Mower Deck 54-Inch. ELECTRICAL. ENGINE AM135052. Front Blade 48-Inch. FUEL AND AIR. Hydraulics. stuffi-design.de John Deere 325 335 345 OEM Idler Pulley AM124302. About Deere Removal John Pulley Mower Deck . ). The John Deere 48 mower deck belt pattern diagram can be obtained from most John Deere dealerships. Deck drive belt is designed to replace your john deere riding mower drive belt. John Deere 345 48" Inch Deck Double Stack Pulley AM117362 325 GT235 ... john deere kawasaki carburetor diagram | eurekaconsumer.com John Deere Carburetor Kawasaki 345 FD590V AM122617 Part $149.99. John Deere Original Equipment Carburetor Kit #AM117347 $44.94. ... Rebuild Kit John Deere Kawasaki Carburetor Parts John Deere Kawasaki Engine Troubleshooting John Deere Carb Diagram Kawasaki Mower Carburetor Rebuilding Kits Kawasaki Carburetors For Sale John Deere Lx279 ...
John deere 345 carburetor diagram. kreuzkirche-osterode.de › john-deere-kawasaki-igniter-testkreuzkirche-osterode.de Mar 23, 2022 · A wiring diagram is a simplified conventional photographic depiction of an electrical circuit. For John Deere models, this switch is used when updated to threaded stem style mount. Sep 24, 2018 · John deere gator wiring diagram collection john deere gator 6 4 wiring diagram. The John Deere 24 Volt Electrical System Explained . stuffi-design.de John Deere 316 (Kohler) Sep 21, 2017 · Cummins pt fuel pump diagram. on John Deere L130 Carburetor Diagram. this is at the back of carburetor the upper link is for choke and the lower one is throttle. Some homeowners find that it is easier to maintain a John Deere lawnmower after bypassing the safety switch. 6. John Deere Not Getting Fuel! Continue Reading For Amazing ... Here we will give you 6 excellent solutions: the most common and complex issues of john deere gator not getting fuel.. Fuel Issue Treatment. The fuel quality. This is the first thing that you should keep in mind when you are using a john deere 345 and facing john deere 345 not getting fuel.Always remember quality matters. TractorData.com John Deere 345 tractor information Transmission details ... Open operator station. Adjustable seat with 7-inches of travel. John Deere 345 photos... Full dimensions and tires ... Attachment details ... FAQ: How to read a serial number table. Serial number decal on the rear of the 345, above the drawbar. ©2000-2021 - TractorData.com®.
John Deere 345 Wiring Diagram - eastbrook.k12.in.us mtd zama free engine image for john deere 44 snowblower parts diagram john deere parts diagrams belts dimension. 3. John deere fuel solenoid problems Brand: John Deere. his dozer is a 2nd owner machine, hour meter reads 4,600 hours. F120943 [1] The names John Deere, JD, JCB, Hyundai or any other original equipment Maintenance Manual ... John Deere 345 Lawn Tractor Parts - Quick Parts Reference ... John Deere 345 Lawn Tractor Parts 54 Mower Deck. NEED HELP FINDING PARTS? CALL US AT (855) 669-7278. John Deere 345 Lawn Tractor Parts for 38 Mower Deck Quick Reference Guide. Click the part number below to view and order John Deere 345 Lawn Tractor Parts for 38 Mower Deck, or search illustrated diagrams to determine the part you need. The Art and the Science of Psychopharmacology for ... 15.11.2021 · for Quebec ATH —– ABB Historique du raccourcissement des problèmes —– Abréviation du VRC —– Croatie ANM Abréviation —– AAI Abréviation sans signification —– "Abréviations, acronymes et initiales "ABD —– Retiré AXR —– Rayon abdominal AUJ —– Aberdeen University Journal AZV —– Abfallzweckverband AYN —– Réseau de la jeunesse … echte-freude-schenken.de › mower-deck-spindles99 Click Here For More Information. Qty: . Double-captured ... 72. 28 ,313. Mower Deck Lift. Mower Deck 46 inch 618-0660 spindle SN 1A257H & before. Lubricate the three mower deck spindles using recommended John Deere Grease. 95 Add to Cart Mower Spindle Assembly for AYP 187292 192870, for Husqvar . Jan 29, 2017 · Mower Deck Spindle Assembly for John Deere 335 345 425 445 455 AM121229 AM121342 .
John Deere 345 Garden Tractor Parts - Mutton Power John Deere 345 Parts. The John Deere 345 Garden Tractor was produced from 1995 to 2001 offering 44", 48" and 54" mower deck options. It came equipped with Power Steering, hydrostatic drive transmission and 18hp Kawasaki Engine (switching to 20hp Kawasaki with SN 070000 and newer) as standard features. Carbpro Carburetor for John Deere Carb Kawasaki 345 FD590V ... Carbpro Carburetor for John Deere Carb Kawasaki 345 FD590V AM122617 with Gaskets . 4.2 out of 5 stars 19 ratings. $28.99 $ 28. 99 & FREE Returns . Return this item for free. Free returns are available for the shipping address you chose. You can return the item for any reason in new and unused condition: no shipping charges ; John Deere Parts Diagram & Parts Search • John Deere Parts ... John Deere AG, Lawn & Garden and CWP Equipment Parts Search. John Deere parts lookup tool and diagram is an incredible online source. It is a complete catalog that shows you detailed parts diagrams of every part of your machine. This online parts catalog is robust and easy to use. Searching for your John Deere parts online has never been easier. echte-freude-schenken.deHow to tighten belt on john deere riding mower April 18th, 2019 - John deere sabre mower belt diagram John deere sabre riding lawn mowers have a belt that rotates a pulley mounted to the mower deck tighten the belt guard bolts with a socket wrench Draw a diagram or take a picture of the lawn The pictures posted after the crash showed her holding a beer bottle and wearing a a belt bearing ...
TractorData.com John Deere GX345 tractor information Horicon, Wisconsin, USA. Original price. $7,799 (2002 ) John Deere GX345 Engine. 20HP Kawasaki 585cc 2-cyl gasoline. Fuel tank. 4 gal. 15.1 L. Engine details ...
betsson263-registrieren.de › john-deere-ztrak-leaking-oil[email protected] - betsson263-registrieren.de Came back 20 minutes later and found oil drips on cardboard. Fuel Filter. F. John Deere Z375R ZTrak™ Mower with 54-in. esquire1. John Deere prefers that 10W-30 be used in all its gasoline-powered engines, including those on riding mowers. 499$ [12/2021] Sunshade Fits John Deere 325, 335, 345, 355D, GX300 Series Lawn Tractors.
auto1x1.de FS22 John Deere W235 Mower v1. This is in excellent shape as shown. Jan 08, 2022 · TractorHouse John deere 160 mower deck parts diagram john deere 318 mower deck parts diagram john deere 345 mower deck parts diagram. John Deere Tractor Manual Technical Data and Information. Mower Deck diagram and repairJohn deere L130 mower deck belt. ) Mower ...
eil-meldung.de › kawasaki-fuel-pump-diagrameil-meldung.de Mar 18, 2022 · In this design, a separate air pump or engine exhaust creates pressure in the tank. 0220 1994 Kawasaki Mule 1000 (KAF450-B1) FUEL PUMP. June 06, 2015 07:46AM. John Deere uses a Kawasaki engine on the premium line of lawn tractors. 1 motorcycle parts seller.
Fuel hose diagrams for JD345 - Lawn Mower Forum John Deere . Fuel hose diagrams for JD345 ... Greetings: I'm working on a JD 345 riding mower and having some problems with re-attaching the fuel hoses to pump/carb. It has a Kawasaki FD611V engine. ... the fuel pump diagram shows where the pump to carb hose is located (which means the other hose nipple would be attached to fuel line from tank ...
Amazon.com: John Deere Carburetor Kawasaki 345 FD590V ... AM122617 Carburetor Replaces for John Deere 285 320 345 Kawasaki FD590V Engine Lawn Mower Carb. 4.2 out of 5 stars. 60. 4 offers from $20.42. Partman Carburetor 345 FD590V Fit for John Deere Kawasaki Engine Fuel Part AM122617 Carb. 4.5 out of 5 stars. 19. 1 offer from $24.80.
John Deere 345 engine surging fix. - YouTube My GX345 has had engine surging since it was new, this 20 minute easy fix took care of the problem.
John Deere Model GX345 Lawn and Garden Tractor Parts Click here for model 44M mower deck parts for GX345. Click here for model 48C mower deck parts for GX345. Click here for model 54C mower deck parts for GX345. Click here for 42-inch Snow Thrower Parts for GX345. Click here for 48-inch Front Blade Parts for GX345. Click here for 30-inch Mechanical Drive Tiller Parts for GX345.
tiptogo.de › john-deere-54-mower-deck-tension-springtiptogo.de Mar 22, 2022 · email protected]
John Deere Parts Diagrams, John Deere 345 Lawn & Garden ... John Deere Parts Diagrams, John Deere 345 Lawn & Garden Tractors Without Mower Deck -PC2428. Air Filter & Mounting Parts 325 FC540V: FUEL AND AIR. Air Filter 325 FH531V: FUEL & AIR. Air Filter 335: FUEL & AIR. Air Filter 345: FUEL & AIR.
Carburetors | Walbro Rebuild Kits | Walbro Fuel Pumps WG-8 Walbro OEM Carburetor OEM WALBRO CARBURETOR WG-8 FITS FOLLOWING ENGINES Thor 100 C.C. 110, HP 20,5, RPM 8900 Snap Ego CC 96, HP 17,5…
john deere 345 kawasaki carburetor diagram Archives ... Tag - john deere 345 kawasaki carburetor diagram. Riding Lawn Mowers John Deere 335 20HP 54 inch deck Riding Lawn Mower for... Featured Posts
John Deere 345 Parts Diagrams - Jacks Small Engines John Deere 345 Parts Diagrams. SWIPE SWIPE. Belts. Electrical Components. Filters. Hitch and Implement Components. Seats and other Components.
John Deere Model 345 Lawn and Garden Tractor Parts John Deere Model 345 Lawn and Garden Tractor Parts - Location of the Product Identification number (serial number) ... John Deere Carburetor Gasket - M149305 (0) $1.65. Usually available. Add to Cart. Quick View. John Deere Complete High-Back Seat Assembly - AM131531 - See product detail for serial number range
John Deere 345 Wiring Diagram - eastbrook.k12.in.us carburetor diagram mtd zama free engine image for john deere 44 snowblower parts diagram john deere parts diagrams belts dimension. 3. John deere 54 mower deck tension spring - bal.kameralni.pl Description: John Deere 648M Quik Trak Mower Parts intended for John Deere 345 Parts Diagram, image size 410
JD 345 Kawasaki FD611V carb - Green Tractor Talk powrguy. I've got a problem with the FD611V on my JD 345 (1999 vintage, 1100 hrs., NOT plastic-cam in it). It appears to me that it's running lean at high speed and won't run without partial choke, other than at idle. I'm thinking it's the high speed jet being the issue, because it's smooth running at idle, starts with the choke full on, but if ...
John Deere 325 Lawn Tractor Parts Diagram | Tractor Parts ... john deere 345 parts diagram is among the most pictures we located on the online from reliable resources. We tend to explore this john deere 345 parts diagram image in this article simply because according to facts from Google engine, It really is one of many best queries key word on google.
john deere kawasaki carburetor diagram | eurekaconsumer.com John Deere Carburetor Kawasaki 345 FD590V AM122617 Part $149.99. John Deere Original Equipment Carburetor Kit #AM117347 $44.94. ... Rebuild Kit John Deere Kawasaki Carburetor Parts John Deere Kawasaki Engine Troubleshooting John Deere Carb Diagram Kawasaki Mower Carburetor Rebuilding Kits Kawasaki Carburetors For Sale John Deere Lx279 ...
stuffi-design.de John Deere 325 335 345 OEM Idler Pulley AM124302. About Deere Removal John Pulley Mower Deck . ). The John Deere 48 mower deck belt pattern diagram can be obtained from most John Deere dealerships. Deck drive belt is designed to replace your john deere riding mower drive belt. John Deere 345 48" Inch Deck Double Stack Pulley AM117362 325 GT235 ...
John Deere Parts Diagrams, John Deere GX345 Garden Tractor John Deere Parts Diagrams, John Deere GX345 Garden Tractor. Convertible Mower Deck 42-Inch. Convertible Mower Deck 48-Inch. Convertible Mower Deck 54-Inch. ELECTRICAL. ENGINE AM135052. Front Blade 48-Inch. FUEL AND AIR. Hydraulics.

kipa Carburetor for AM131756 John Deere 345 GX345 Mower FD611V Engine with M97307 & M113683 Gaskets Carbon Dirt Jet Cleaner Tool Kit

JEM&JULES Carburetor for AM131756 John Deere 345 GX345 Mower FD611V Engine with M97307 & M113683 Gaskets
Comments
Post a Comment