43 john deere x300 deck belt diagram
Newest > john deere 48c mower deck belt diagram | Sale OFF - 54% john deere 185 46 mower deck on PopScreen. Pin on Ideas for the House. John Deere Lawn Mower Accessory LX27. John Deere decks by crigby. Mower Deck john deere d140 mower deck belt John Deere 48C/54C Double Pulley Repair JOHN DEERE 48C Complete MOWER DECK JOHN... John Deere® parts Online. Deere equipment Parts Catalog | AGA Parts Looking to buy John Deere Parts online? AGA Parts provides parts for the top brands, offers worldwide shipping and best prices! We are ready to offer thousands of genuine and aftermarket spare parts for products by John Deere. Our web-catalog features up-to-date info on spare parts available for sale...
John Deere X300 deck belt change. With details - YouTube Changing the deck belt on your riding lawnmower isn't all that difficult. This is how I do it. If you don't feel comfortable doing it my way-then hire it...

John deere x300 deck belt diagram
PDF Microsoft Word - DKD1630_Kinze3000.rtf | John Deere Part No. John Deere Kinze. Key Description. Part No. Cover, Housing Belt, Seed Driver, Belt Housing Assembly, Conveyor Bushing, Roller Roller Idler Complete Finger Pickup Meter Hex Nut Cover Extension Spring Finger Holder Finger Finger Pickup Assembly Seed Pickup Carrier Assembly... Читаем электросхемы John Deere - Автозапчасти и автоХитрости Читаем электросхемы спецтехники John Deere. The component location diagram is a pictorial view by harness showing location of all electrical components, connectors, harness main ground locations and harness band and clamp location. John Deere X300R Garden Tractor Spare Parts Models include the John Deere ltr155, John Deere ltr166 and the John Deere ltr180. Skip to the beginning of the images gallery. John Deere X300R Garden Tractor Spare Parts. Be the first to review this product.
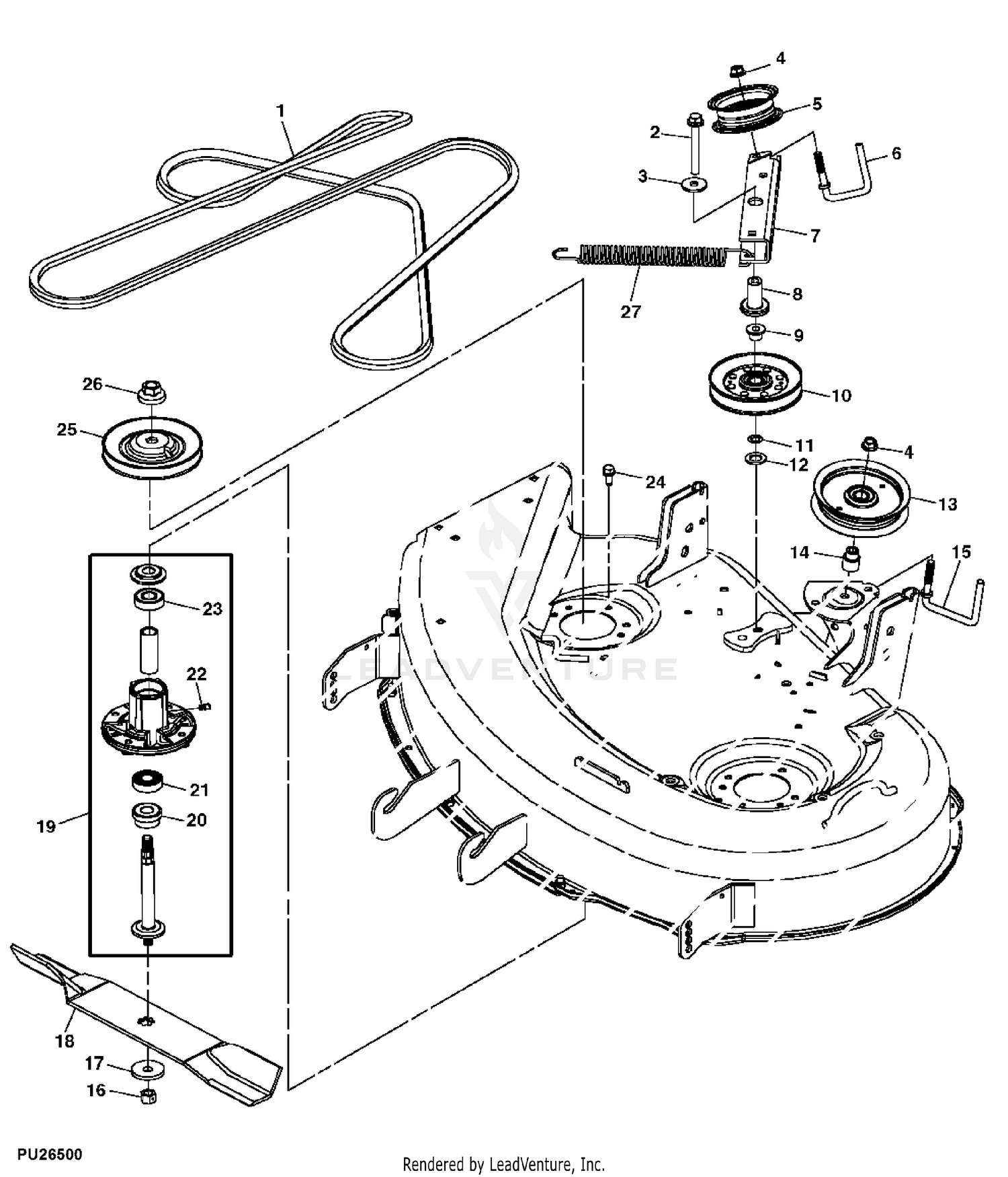
John deere x300 deck belt diagram. Amazon.com: john deere x300 42 inch deck belt RESULTS. Amazon's Choicefor john deere x300 42 inch deck belt. Pro-Parts M154621 Replacement Mower V-Belt fits John Deere 42" Deck X300 Series 1/2"x146". Мануалы | Разборка: Снимите правую боковую крышку Поднимите... 7_Deere_HPCR_rus.pdf. 72 John Deere Service Manuals Free Download - Truck manual, wiring... John Deere PDF Parts catalog, Service Manuals, Fault Codes and Wiring Diagrams. John Deere HD300 Operator manual.pdf. 1011.3kb. Download. John Deere 132 BELT PICKUP WITH PLATFORM parts catalog. Hello, I just bought used John Deere LA125 Tractor with 42-Inch Mower Deck. X330, 42-in. Deck | X300 Select Series Lawn Tractor | John Deere US The Select Series X300 Tractors from John Deere - maneuverability masters designed for homeowners who mow up to 3.5 acres Low-tension belt-drive design reduces the side load on the engines lower bearing and mower deck bearings for longer life. Owner Resources. Maintenance & parts diagrams.
JohnDeereStore | Homepage John Deere Store is the official John Deere online site for John Deere Hats, John Deere lawn mower parts, Toys, Gifts, shirts, and kids merchandise.We have all of Your model number is a combination of letters and numbers which can be located on either the deck or hood of your equipment (Ex. Parts & Services | John Deere UK & IE John Deere has been remanufacturing parts and components for more than 20 years. During the remanufacturing process, failed and worn parts are replaced with original parts and then inspected and tested to original performance specifications. It's an environmentally friendly repair alternative for... John Deere Parts | Parts & Services | John Deere US The John Deere dealer is the first line of customer parts service. Throughout the world, there are dealers to serve Agricultural, Construction, Lawn and Grounds Care, and Off-Highway Engine customers. As a company, we are dedicated to keeping our dealers equipped with the necessary... John Deere Parts Search for all John Deere Models Buy Genuine OEM John Deere Parts. Search huge inventory of Tractor Parts, Lawnmower Parts, Blower Parts, Engine Parts and ship it Today! We also offer a comprehensive free parts search using illustrated diagrams. We have been in business since 1945 and have been recognized as leaders in...
John Deere X300R Garden Tractor Spare Parts Models include the John Deere ltr155, John Deere ltr166 and the John Deere ltr180. Skip to the beginning of the images gallery. John Deere X300R Garden Tractor Spare Parts. Be the first to review this product. Читаем электросхемы John Deere - Автозапчасти и автоХитрости Читаем электросхемы спецтехники John Deere. The component location diagram is a pictorial view by harness showing location of all electrical components, connectors, harness main ground locations and harness band and clamp location. PDF Microsoft Word - DKD1630_Kinze3000.rtf | John Deere Part No. John Deere Kinze. Key Description. Part No. Cover, Housing Belt, Seed Driver, Belt Housing Assembly, Conveyor Bushing, Roller Roller Idler Complete Finger Pickup Meter Hex Nut Cover Extension Spring Finger Holder Finger Finger Pickup Assembly Seed Pickup Carrier Assembly...

Camoo AM136327 Right Front Lawn Mower Deck Gauge Wheel Arms for John Deere X300 X320 X500 X324 X340 X360 X500 X520 X530 X534 X540
Comments
Post a Comment